Bornier Et Consignes Fixes (Cfx); Régulation De Couple; Générateur D'impulsions - Siemens Simovert Masterdrives Motion Control Instructions De Service

Masquer les pouces Voir aussi pour SIMOVERT MASTERDRIVES Motion Control:
Table des Matières
Les langues disponibles

Les langues disponibles

08.2009
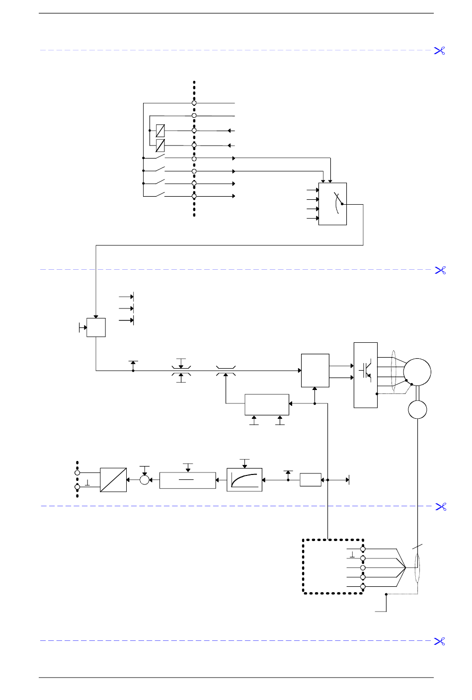
Source de consigne / ordres :

Bornier et consignes fixes (CFx)

Type de régulation :
Régulation
de couple
Couple
de réf.
Norm.
P354
Visu K couple
r039.1
(=consigne de
couple)
Sortie analogique
+/- 10 V
AA
-X101/11
A
D
-X101/12
Type de capteur :
Générateur d'impulsions
Le raccordement complet du générateur d'impulsions
est documenté dans les instructions de la carte SBP
(réf. de commande: 6SE7087-7NX84-2FA0).
Siemens AG
6SE7087-7JP50
SIMOVERT MASTERDRIVES
-X101/1
P24
-X101/2
M24
1 = Fonctionn.
-X101/3
0 = Défaut
-X101/4
CFx bit 0
-X101/5
CFx bit 1
-X101/6
Front 0-1 = Acquit.
-X101/7
-X101/8
1 =Marche 0 =Arrêt1
r003 Tension de sortie
r004 Courant de sortie
r006 Tension de circ. interm.
CFx C(lim. 1)
P263.1
CFx C(lim. 2)
P264.1
Facteur AO
Offset AO
P643.1
P644.1
y
x
x
y[V]=
P643.1
100 %
Caractéristiques du GI à raccorder :
- codeur HTL (15 V)
- 1024 incr.
- pas de piste de contrôle
Instructions de service
CFx1
CFx2
CFx3
CFx4
Régul.
courant
Surveillance
de vitesse
n(max,sens +)
n(max,sens -)
P452.1
P453.1
Visu K couple
Lissage AO
r039.2
P642.1
(=Mesure
couple)
Modell
SBP
Paramétrage
0 0
0 1
1 0
1 1
Moteur
Capteur
moteur
Visu K vitesse
r041.2
(=mesure vitesse)
U
-X400/60
B
-X400/61
-X401/68
Voie A+
-X401/70
Voie A-
Top zeró+
-X401/72
Connexion
du blindage
3~
5
8-31

Chapitres

Table des Matières
loading

Table des Matières