Branchement Des Flexibles De Rampes - Toro Multi Pro Wm Manuel De L'utilisateur

Masquer les pouces Voir aussi pour Multi Pro WM:
Table des Matières
16
Branchement des flexibles
de rampes
Pièces nécessaires pour cette opération:
3
Colliers de flexible
2
Collier en R
2
Boulon à épaulement
2
Rondelle
2
Écrou
Montage des sections de rampe
droite et gauche
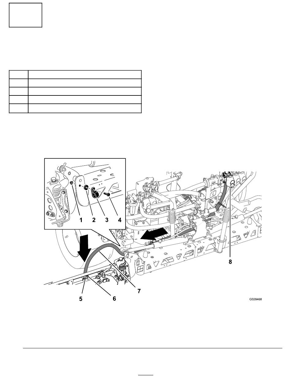
1.
Acheminez les flexibles des sections de rampe
comme montré à la
1. Écrou
2. Rondelle
3. Collier en R
Figure 42
et la
Figure
43.
Flexible – section de rampe gauche
4. Boulon à épaulement
5. Raccord en T
6. Collier
Figure 42
7. Flexible de rampe gauche
8. Vanne de section gauche
31
g028468
Table des Matières
loading

Ce manuel est également adapté pour:

41240

Table des Matières