Se connecter
Télécharger
Télécharger
Ajouter à mes manuels
Supprimer de mes manuels
Partager
L'URL de cette page:
Lien HTML:
Marquer une page
Ajouter
Manuel sera automatiquement ajouté à "Mes manuels"
Imprimer la page
×
Signet ajouté
×
Ajouté à mes manuels
Manuels
Marques
RIB Manuels
Barrières automatiques
NORMAL
Instructions pour l'utilisation et l'installation
RIB NORMAL Instructions Pour L'utilisation Et L'installation page 23
Masquer les pouces
Voir aussi pour NORMAL
:
Mode d'emploi
(69 pages)
,
Mode d'emploi
(61 pages)
1
2
3
4
5
6
7
8
9
10
11
12
13
14
15
16
17
18
19
20
21
22
23
24
25
26
27
28
29
30
31
32
33
34
35
36
page
de
36
Allez
/
36
Signets
Les langues disponibles
FR
EN
DE
IT
Plus
Les langues disponibles
FRANÇAIS, page 10
ENGLISH, page 17
DEUTSCH, seite 24
ITALIANO, pagina 3
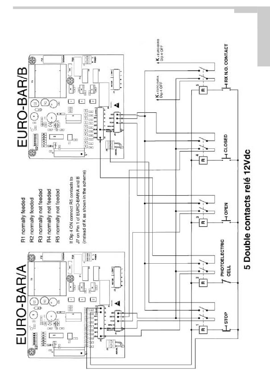
CONNECTION DIAGRAM FOR CONNECTING TWO BARRIERS AT THE SAME TIME
Pag. 23 di 36
E
N
G
L
I
S
H
Page
Précédent
e
Page
Suivant
e
1
...
20
21
22
23
24
25
26
27
Manuels Connexes pour RIB NORMAL
Barrières automatiques RIB NORMAL Mode D'emploi
(69 pages)
Barrières automatiques RIB NORMAL Mode D'emploi
Barrière irréversible pour le contrôle du trafic véhiculaire (61 pages)
Barrières automatiques RIB RAPID N P1-CRX Mode D'emploi
(80 pages)
Barrières automatiques RIB NORMAL 3P Mode D'emploi
(72 pages)
Barrières automatiques RIB ECO-NORMAL Instructions Pour L'utilisation Et L'installation
(12 pages)
Barrières automatiques RIB STOPPER MASTER Mode D'emploi
(29 pages)
Barrières automatiques RIB RAPID S Instructions D'installation
(61 pages)
Barrières automatiques RIB AA50130 Mode D'emploi
(81 pages)
Barrières automatiques RIB INDUSTRIAL Mode D'emploi
(60 pages)
Barrières automatiques RIB RAPID PARK Manuel
(49 pages)
Barrières automatiques RIB AC08086 Mode D'emploi
230v 50hz, 220v 60hz seule carte, 120v 60hz seule carte (49 pages)
Barrières automatiques RIB RAPID N Mode D'emploi
(61 pages)
Barrières automatiques RIB RAPID S METAL Mode D'emploi
(61 pages)
Barrières automatiques RIB PRESIDENT P1 24V-CRX Manuel
(65 pages)
Barrières automatiques RIB AA50080K Mode D'emploi
Barrière irréversible pour le contrôle du trafic véhiculaire (60 pages)
Barrières automatiques RIB AA50070F Mode D'emploi
Barrière irréversible pour le contrôle du trafic véhiculaire avec un nouveau fin de course, plus facile et plus rapide à régler. avec travail avec homme present, dans le cas de panne de sécurité. conforme aux normes en vigueur. (60 pages)
Produits Connexes pour RIB NORMAL
RIB NORMAL ICE
RIB NORMAL PARK 230V
RIB NORMAL 3P
RIB RAPID N P1-CRX
RIB AA50000
RIB AA50037
RIB AA50041
RIB AA50070F
RIB AA50070K
RIB AA50079F
RIB AA50079K
RIB AA50080F
RIB AA50080K
RIB AA50083F
RIB AA50083K
RIB AA50091
Imprimer
Renommer le signet
Supprimer le signet?
Supprimer de mes manuels?
Connexion
Se connecter
OU
Se connecter avec Facebook
Se connecter avec Google
Télécharger le manuel
Télécharger depuis le disque dur
Télécharger depuis l'URL