Se connecter
Télécharger
Télécharger
Table des Matières
Matières
Ajouter à mes manuels
Supprimer de mes manuels
Partager
L'URL de cette page:
Lien HTML:
Marquer une page
Ajouter
Manuel sera automatiquement ajouté à "Mes manuels"
Imprimer la page
×
Signet ajouté
×
Ajouté à mes manuels
Manuels
Marques
Tecomec Manuels
Meuleuses d'angles
Sharp Master
Manuel d'utilisation
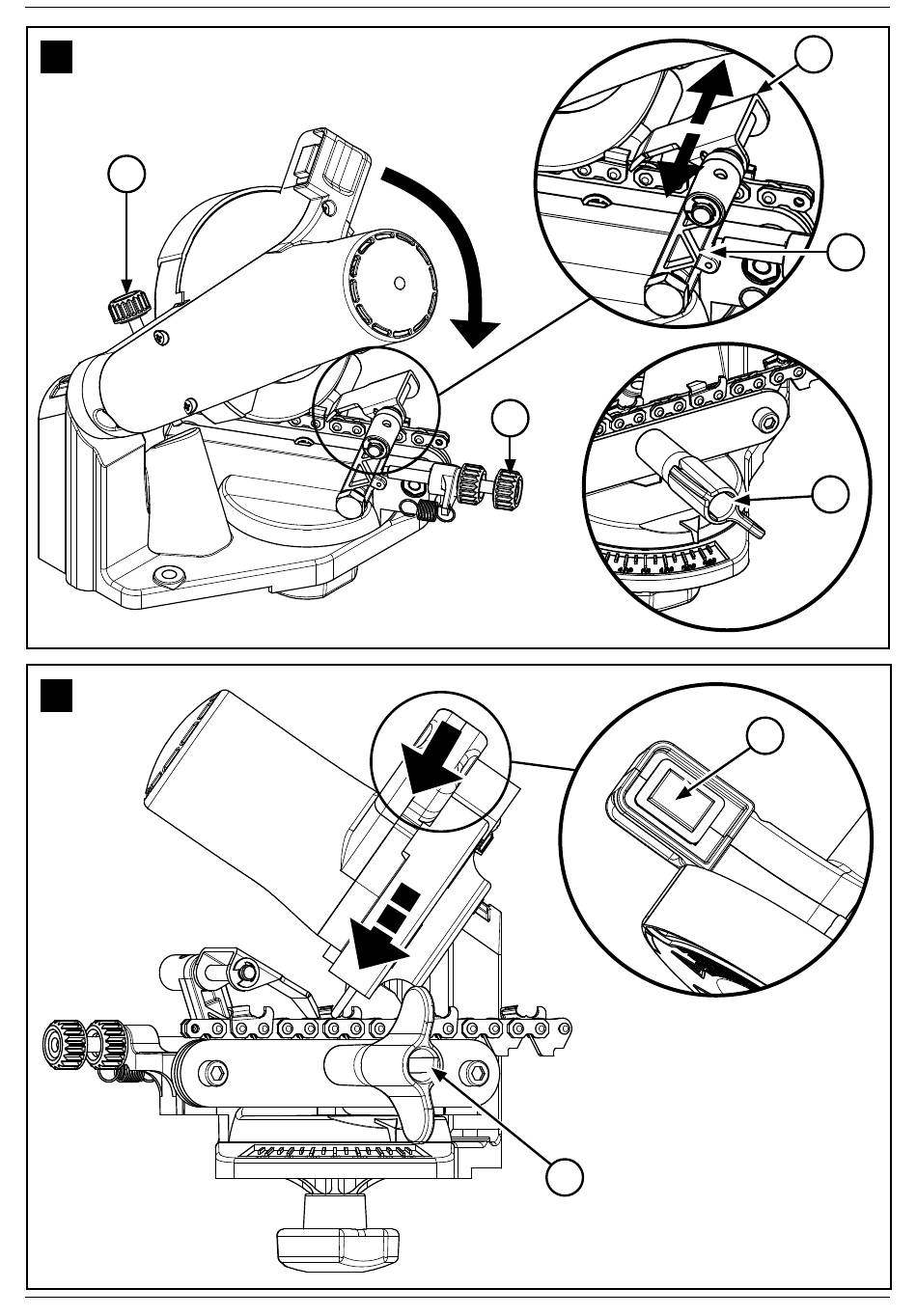
Tecomec Sharp Master Manuel D'utilisation page 65
Masquer les pouces
1
2
3
4
5
6
7
8
9
10
11
12
13
14
15
16
17
18
19
20
21
22
23
24
25
26
27
28
29
30
31
32
33
34
35
36
37
38
39
40
41
42
43
44
45
46
47
48
49
50
51
52
53
54
55
56
57
58
59
60
61
62
63
64
65
66
67
68
page
de
68
Allez
/
68
Matières
Table des Matières
Dépannage
Signets
Table des Matières
Les langues disponibles
FR
EN
DE
ES
IT
NL
PT
PL
RU
Plus
Les langues disponibles
FRANÇAIS, page 15
ENGLISH, page 9
DEUTSCH, seite 33
ESPAÑOL, página 21
ITALIANO, pagina 3
DUTCH, pagina 39
PORTUGUÊS, página 27
POLSKI, strona 45
РУССКИЙ, страница 51
A18
17
P18b
P18
P18a
M19
18
I19
M19
63
Table des
Matières
Page
Précédent
e
Page
Suivant
e
1
...
62
63
64
65
66
67
68
Chapitres
Italiano
3
English
9
Français
15
Español
21
Português
27
Deutsch
33
Dutch
39
Polski
45
Русский
51
Table des Matières
Manuels Connexes pour Tecomec Sharp Master
Meuleuses d'angles Tecomec Super Jolly Manuel D'utilisation Et Entretien
(29 pages)
Meuleuses d'angles Tecomec Midi jolly-N Manuel D'utilisation Et D'entretien
Mélangeuse électrique pour chaises de scie électrique (57 pages)
Meuleuses d'angles Tecomec Sharp Master 230 V Manuel D'utilisation Et Entretien
(72 pages)
Meuleuses d'angles Tecomec 135 jolly Manuel D'instructions
(72 pages)
Meuleuses d'angles Tecomec Jolly Star Manuel D'utilisation Et Entretien
(32 pages)
Meuleuses d'angles Tecomec Jolly Star Manuel D'utilisation Et Entretien
(113 pages)
Meuleuses d'angles Tecomec midi jolly Manuel D'instructions
(14 pages)
Produits Connexes pour Tecomec Sharp Master
Tecomec Super Jolly
Tecomec SPEED MASTER
Tecomec Geoline ST/DRIVER-06
Tecomec Geoline STF/DRIVER-06
Tecomec 135 jolly
Tecomec 930-8100
Tecomec Easy grinder
Tecomec FL 136
Tecomec Jolly Star
Tecomec Midi Jolly
Tecomec Midi jolly-N
Tecomec PRO COMPACT 930-8080
Tecomec Sharp Master 120 V
Tecomec Sharp Master 230 V
Table des Matières
Imprimer
Renommer le signet
Supprimer le signet?
Supprimer de mes manuels?
Connexion
Se connecter
OU
Se connecter avec Facebook
Se connecter avec Google
Télécharger le manuel
Télécharger depuis le disque dur
Télécharger depuis l'URL