Installation Drawing (0K9041-2 Of 2) - Generac Synergy Directives D'installation

De 20 kw
Masquer les pouces Voir aussi pour Synergy:
Table des Matières
Les langues disponibles

Les langues disponibles

Diagrams
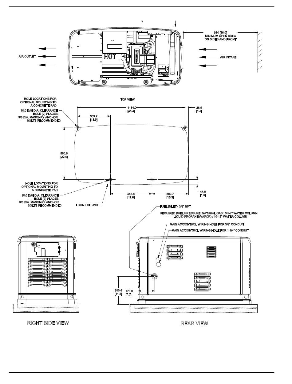
Installation Drawing (0K9041—2 of 2)
AIR OUTLET
HOLE LOCATIONS FOR
OPTIONAL MOUNTING TO
A CONCRETE PAD
10.0 [3/8] DIA. CLEARANCE
HOLE (2) PLACES,
3/8 DIA. MASONRY ANCHOR
BOLTS RECOMMENDED
560.0
[22.0]
HOLE LOCATIONS FOR
OPTIONAL MOUNTING TO
A CONCRETE PAD
16.0 [5/8] DIA. CLEARANCE
HOLE (2) PLACES,
3/8 DIA. MASONRY ANCHOR
BOLTS RECOMMENDED
RIGHT SIDE VIEW
44
TOP VIEW
1154.0
[45.4]
353.7
[13.9]
446.6
[17.6]
FRONT OF UNIT
300.4
179.0
[11.8]
[7.0]
914 [36.0]
MINIMUM OPEN AREA
ON SIDES AND FRONT
36.0
[1.4]
44.8
389.7
[1.8]
[15.3]
FUEL INLET - 3/4" NPT
REQUIRED FUEL PRESSURE: NATURAL GAS : 3.5-7" WATER COLUMN
LIQUID PROPANE (VAPOR) : 10-12" WATER COLUMN
MAIN AC/CONTROL WIRING HOLE FOR 3/4" CONDUIT
MAIN AC/CONTROL WIRING HOLE FOR 1 1/4" CONDUIT
REAR VIEW
Owner's Manual for 60 Hz Synergy Generator™
AIR INTAKE
001378
Table des Matières
loading

Table des Matières