Télécharger Imprimer la page

Endress+Hauser Liquiline System CA80HA Manuel De Mise En Service page 44

Masquer les pouces Voir aussi pour Liquiline System CA80HA:
Raccordement électrique
Exemple : Raccordement de l' u nité de nettoyage 71072583 pour CAS40D
AVIS
Consommation électrique trop élevée pour le relais d'alarme du Liquiline
Peut causer des dommages irréversibles au module de base
Raccordez uniquement l' u nité de nettoyage aux bornes d' u n module additionnel (AOR, 2R
ou 4R), pas au relais d' a larme du module de base.
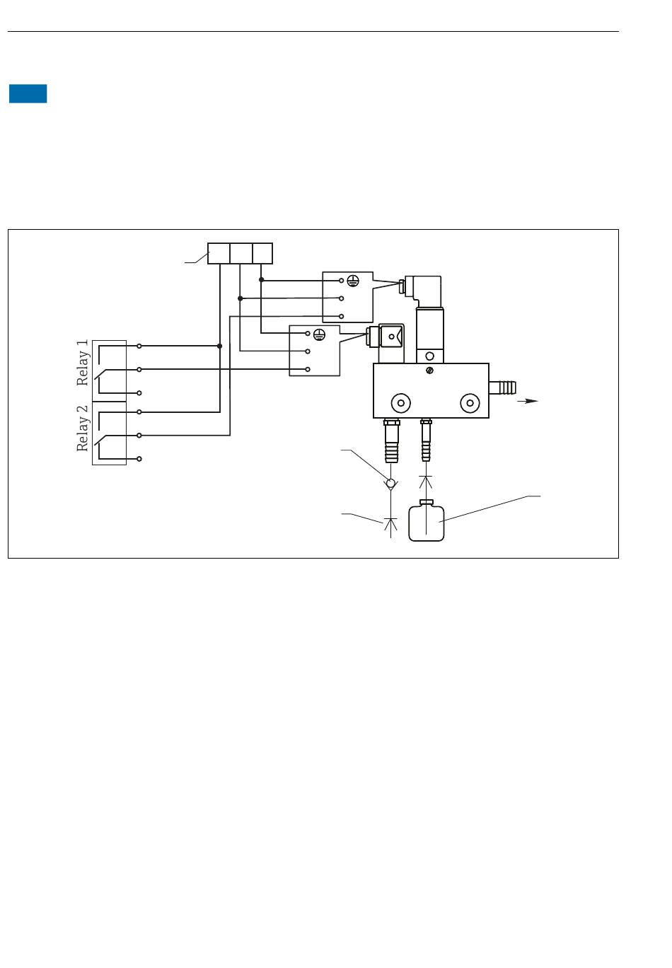
Exemple : Raccordement de l' u nité de nettoyage par injection Chemoclean CYR10
CM44x/CM44xR/
CM44P
42
43
42
43
 42
Raccordement de l' u nité de nettoyage à injecteur CYR10
1
Alimentation électrique externe
2
Solution de nettoyage vers la tête d' i njection
3
Réservoir avec solution de nettoyage
4
Eau motrice 2 à 12 bar (30 à 180 psi)
5
Sectionneur de conduite (non fourni)
44
L
N
PE
1
41
41
CYR10
1
2
1
2
5
4
Liquiline System CA80HA
2
3
A0028598
Endress+Hauser
loading