Schéma De L'installation; P&Id : Dulcodos Ulia 400 Basic; P&Id : Dulcodos Ulia 400 Basic Avec Nv - Prominent Dulcodos Ulia Manuel De Montage Et De Service

Installation de préparation de polymères
Table des Matières
Fonction
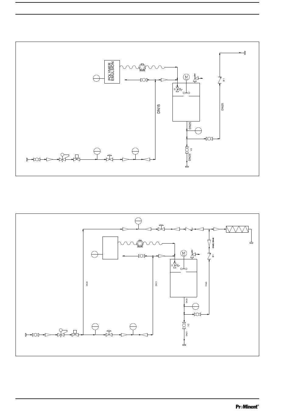
1.9 Schéma de l'installation
1.9.1 P&ID : DULCODOS ULIa 400 BASIC
PC
inlet
water
V0
PV
DN25
DN25
DN20
Fig. 9 : P&ID : DULCODOS ULIa 400 BASIC
1.9.2 P&ID : DULCODOS ULIa 400 BASIC avec NV
inlet
PC
water
DN25
DN25
/
V0
DN25 DN20
DN25 DN20
PV
Fig. 10 : P&ID : DULCODOS ULIa 400 BASIC avec NV
22
H0
emulsion
level
sensor
hose
connection
LI
01
DN15
PI
01
S
VC1
DN20
V1
DN20
DN10
DN20 DN15
DN20 DN15
/
H0
emulsion
level
POLYMER
sensor
EMULSION
hose
LI
connection
01
DN15
PI
01
S
V1
VC1
/
DN20 DN10
DN20 DN10
DN20
P3
H1
P2
DN15
V4
DN25
FIC
01
DN10
DN15
drain
DN25
DN25
FIC
02
VC2
DN15
DN15
/
DN20
DN20
DN20
DN20
/
DN25
DN25
P3
H1
P2
/
V4
DN15 DN25
DN15 DN25
FIC
01
/
DN10
DN10
DN15
DN15
drain
DN25
DN25
maximal back
pressure 4.5 bar
BV
PI
02
V3
maximal back
pressure 4.5 bar
MIXER
B2
DN25
/
DN40
DN40
DN40 DN25
DN40 DN25
/
BV
PI
02
V3
product
outlet
DN25
A3508
product
outlet
DN25
A3613
Table des Matières
loading

Ce manuel est également adapté pour:

Dulcodos ulia 400 mediumDulcodos ulia 400 comfortDulcodos ulia 400 basic

Table des Matières