Se connecter
Télécharger
Télécharger
Table des Matières
Matières
Ajouter à mes manuels
Supprimer de mes manuels
Partager
L'URL de cette page:
Lien HTML:
Marquer une page
Ajouter
Manuel sera automatiquement ajouté à "Mes manuels"
Imprimer la page
×
Signet ajouté
×
Ajouté à mes manuels
Manuels
Marques
Sharp Manuels
Four à micro-ondes
R-733
Manuel d'entretien
Diagramme Schematique - Sharp R-733 Manuel D'entretien
Masquer les pouces
Voir aussi pour R-733
:
Mode d'emploi avec livre de recettes
(224 pages)
1
2
3
4
5
6
7
8
9
10
11
12
13
14
15
16
17
18
19
20
21
22
23
24
25
26
27
28
29
30
31
32
33
34
35
36
37
38
page
de
38
Allez
/
38
Matières
Table des Matières
Signets
Table des Matières
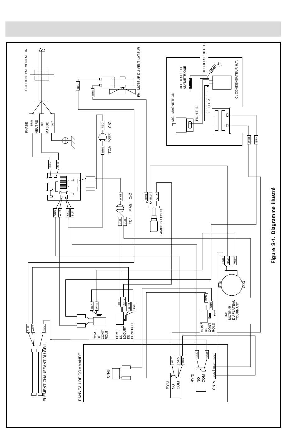
DIAGRAMME SCHEMATIQUE
WHT
RED
BRN
WHT
GRN
RED
R-733 -
28
T : TRANS-
FORMATEUR H.T.
Table des
Matières
Page
Précédent
e
Page
Suivant
e
1
...
27
28
29
30
31
32
33
34
Table des Matières
Manuels Connexes pour Sharp R-733
Four à micro-ondes Sharp R-733 Mode D'emploi Avec Livre De Recettes
(224 pages)
Four à micro-ondes Sharp R-734 Mode D'emploi Avec Livre De Recettes
(57 pages)
Four à micro-ondes Sharp R-732 Mode D'emploi
(60 pages)
Four à micro-ondes Sharp R-732 Mode D'emploi
(44 pages)
Four à micro-ondes Sharp R-730AW Manuel De Service
(41 pages)
Four à micro-ondes Sharp R-730A Mode D'emploi
(48 pages)
Four à micro-ondes Sharp R-642 Mode D'emploi
(290 pages)
Four à micro-ondes Sharp R-775 Manuel D'entretien
Four a micro-ondes avec grils superieur et inferieur (44 pages)
Four à micro-ondes Sharp R-74ST Manuel De Service
(41 pages)
Four à micro-ondes Sharp R-798 Mode D'emploi Avec Livre De Recettes
(325 pages)
Four à micro-ondes Sharp R-763 Mode D'emploi
(56 pages)
Four à micro-ondes Sharp R-798-A Mode D'emploi Avec Livre De Recettes
(322 pages)
Four à micro-ondes Sharp R-7A53B Mode D'emploi
(36 pages)
Four à micro-ondes Sharp R-7A55 Mode D'emploi
(22 pages)
Four à micro-ondes Sharp R-7V10 Mode D'emploi
(12 pages)
Four à micro-ondes Sharp R-7R50 Mode D'emploi
(24 pages)
Contenu connexe pour Sharp R-733
R-763 Diagramme Schematique
Sharp R-763
R-775 Diagramme Schematique
Sharp R-775
R-74ST Diagramme Du Circuit Du Panneau De Commande
Sharp R-74ST
R-22AM Diagramme Fonctionnel
Sharp R-22AM
R-61FBST Diagramme Illustre
Sharp R-61FBST
Ce manuel est également adapté pour:
R-733w
R-733b
R-733yf
R-733lbf
R-733lgf
R-733wf
...
Afficher tout
R-733f
Table des Matières
Imprimer
Renommer le signet
Supprimer le signet?
Supprimer de mes manuels?
Connexion
Se connecter
OU
Se connecter avec Facebook
Se connecter avec Google
Télécharger le manuel
Télécharger depuis le disque dur
Télécharger depuis l'URL