Priključitveni Načrt 230V 1N - Harvia Sentio Concept R Instructions D'installation Et Mode D'emploi

Table des Matières
Les langues disponibles
  • FR

Les langues disponibles

  • FRANÇAIS, page 58
Navodila za montažo - strokovno osebje
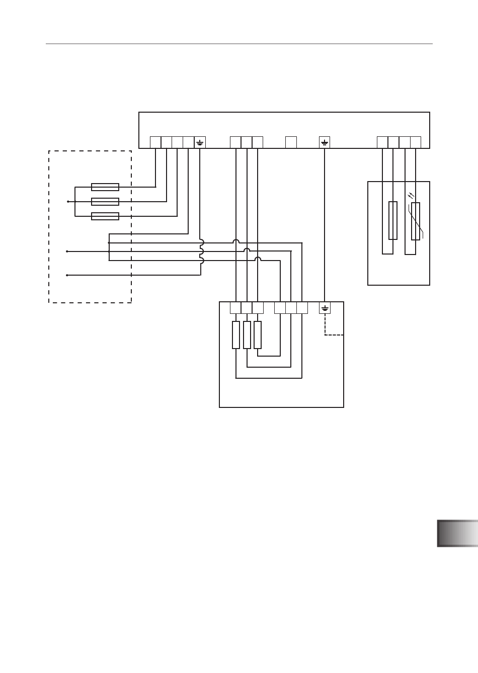
4.5. Priključitveni načrt 230V 1N~
Priključitveni načrt Concept R 9 kW in 10,5 kW
Sl. 5
(CP-RB-090 / CP-RB-105)
4
L
N
PE
230V 1N~
1 krmiljenje savne
2 tipalo temperature z varovalko pred previsoko temperaturo
3 peč za savno 9 kW ali 10,5 kW
4 oskrba s tokom
*
Odstranite bakreni mostič
1
L1 L2
L3
N
N
U V
W
*
U V
W
N
N
N
V
W
U
3
S. 15/28
r r
w
w
ϑ
ϑ
2
SL
Table des Matières
loading

Table des Matières