Se connecter
Télécharger
Télécharger
Table des Matières
Matières
Ajouter à mes manuels
Supprimer de mes manuels
Partager
L'URL de cette page:
Lien HTML:
Marquer une page
Ajouter
Manuel sera automatiquement ajouté à "Mes manuels"
Imprimer la page
×
Signet ajouté
×
Ajouté à mes manuels
Manuels
Marques
WEBTEC Manuels
Appareils de mesure
HPM110
Mode d'emploi
WEBTEC HPM110 Mode D'emploi page 131
Masquer les pouces
Voir aussi pour HPM110
:
Manuel d'utilisation
(172 pages)
1
2
3
4
5
6
7
8
9
10
11
12
13
14
15
16
17
18
19
20
21
22
23
24
25
26
27
28
29
30
31
32
33
34
35
36
37
38
39
40
41
42
43
44
45
46
47
48
49
50
51
52
53
54
55
56
57
58
59
60
61
62
63
64
65
66
67
68
69
70
71
72
73
74
75
76
77
78
79
80
81
82
83
84
85
86
87
88
89
90
91
92
93
94
95
96
97
98
99
100
101
102
103
104
105
106
107
108
109
110
111
112
113
114
115
116
117
118
119
120
121
122
123
124
125
126
127
128
129
130
131
132
133
134
135
136
137
138
139
140
141
142
143
144
145
146
page
de
146
Allez
/
146
Matières
Table des Matières
Signets
Table des Matières
Les langues disponibles
FR
EN
DE
ES
IT
NL
Plus
Les langues disponibles
FRANÇAIS, page 50
ENGLISH, page 2
DEUTSCH, seite 26
ESPAÑOL, página 122
ITALIANO, pagina 98
DUTCH, pagina 74
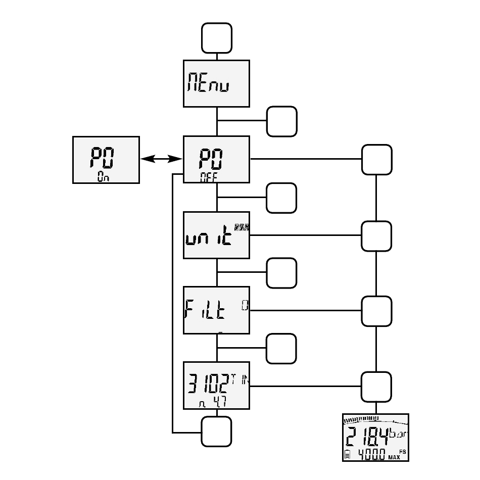
MENU
ZERO
RESET
OK
RESET
OK
MENU
ZERO
MENU
ZERO
MENU
ZERO
10
MENU
ZERO
RESET
OK
bar kPa
mba MPa
PSI
RESET
OK
02
13
RESET
OK
Table des
Matières
Page
Précédent
e
Page
Suivant
e
1
...
130
131
132
133
Chapitres
English
2
Deutsch
26
Français
50
Dutch
74
Italiano
98
Español
122
Table des Matières
Manuels Connexes pour WEBTEC HPM110
Instruments de mesure WEBTEC HPM110 Manuel D'utilisation
(172 pages)
Appareils de mesure WEBTEC FlowHUB Série Manuel D'utilisation
(53 pages)
Appareils de mesure WEBTEC 1 Série Manuel D'utilisation
(69 pages)
Appareils de mesure WEBTEC CT/LT15 Manuel D'utilisation
(45 pages)
Appareils de mesure WEBTEC FI750 Manuel D'utilisation
(36 pages)
Appareils de mesure WEBTEC VFD120-E Série Mode D'emploi
(28 pages)
Appareils de mesure WEBTEC GF025-MAP-B-6 Manuel D'utilisation
(37 pages)
Appareils de mesure WEBTEC MPT J1939 Manuel De L'utilisateur
Transducteur de pression (21 pages)
Appareils de mesure WEBTEC CTR Manuel Utilisateur
(52 pages)
Appareils de mesure WEBTEC CT J1939 Manuel D'utilisation
(45 pages)
Appareils de mesure WEBTEC RFS200 Manuel De L'utilisateur
(37 pages)
Appareils de mesure WEBTEC CT-CAN Serie Mode D'emploi
(96 pages)
Appareils de mesure WEBTEC CTR J1939 Manuel Utilisateur
(52 pages)
Appareils de mesure WEBTEC LT Serie Manuel D'utilisation
Débitmètres à turbine (45 pages)
Produits Connexes pour WEBTEC HPM110
WEBTEC hidramatic FlowHUB Série
WEBTEC HT302
WEBTEC HT402
WEBTEC HT602
WEBTEC HT802
WEBTEC HPM7000
WEBTEC HPM4000
WEBTEC HPM4020
WEBTEC HPM4030
WEBTEC HPM6000
WEBTEC HPM540
WEBTEC HV1500
WEBTEC 1 Série
WEBTEC 2 Série
WEBTEC 3 Série
WEBTEC CT J1939
Table des Matières
Imprimer
Renommer le signet
Supprimer le signet?
Supprimer de mes manuels?
Connexion
Se connecter
OU
Se connecter avec Facebook
Se connecter avec Google
Télécharger le manuel
Télécharger depuis le disque dur
Télécharger depuis l'URL