Se connecter
Télécharger
Télécharger
Table des Matières
Matières
Ajouter à mes manuels
Supprimer de mes manuels
Partager
L'URL de cette page:
Lien HTML:
Marquer une page
Ajouter
Manuel sera automatiquement ajouté à "Mes manuels"
Imprimer la page
×
Signet ajouté
×
Ajouté à mes manuels
Manuels
Marques
Ravaglioli Manuels
Systèmes de levage
RAV 733
Instructions de montage
Ravaglioli RAV 733 Instructions De Montage page 72
Masquer les pouces
1
2
3
4
Table Des Matières
5
6
7
8
9
10
11
12
13
14
15
16
17
18
19
20
21
22
23
24
25
26
27
28
29
30
31
32
33
34
35
36
37
38
39
40
41
42
43
44
45
46
47
48
49
50
51
52
53
54
55
56
57
58
59
60
61
62
63
64
65
66
67
68
69
70
71
72
73
74
75
76
77
78
79
80
81
82
83
84
85
86
87
88
89
90
91
92
93
94
95
96
97
98
99
100
101
102
103
104
105
106
107
108
109
110
111
112
113
114
page
de
114
Allez
/
114
Matières
Table des Matières
Signets
Table des Matières
6
72
All manuals and user guides at all-guides.com
2
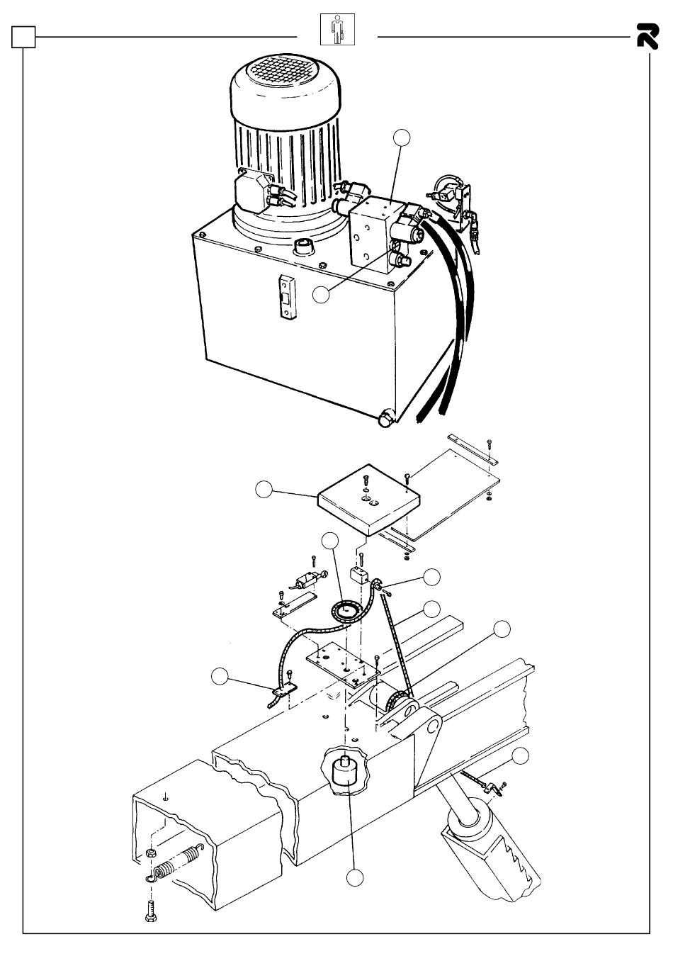
Fig.37
1
6
5
Fig.38
0585-M005-2
1
4
2
7
3
2
RAV 733 - RAV 733 I
Table des
Matières
Page
Précédent
e
Page
Suivant
e
1
...
69
70
71
72
73
74
75
76
Table des Matières
Manuels Connexes pour Ravaglioli RAV 733
Systèmes de levage Ravaglioli RAV 755 Mode D'emploi
(128 pages)
Systèmes de levage Ravaglioli RAV1450N Traduction Des Instructions Originales
(70 pages)
Systèmes de levage Ravaglioli RAV4503 OF Traduction Des Instructions Originales
(156 pages)
Systèmes de levage Ravaglioli RAV307H.4WS-VARSC Traduction Des Instructions Originales
(182 pages)
Systèmes de levage Ravaglioli RAV222 N Mode D'emploi
Elevateur a colonnes independantes (78 pages)
Systèmes de levage Ravaglioli RAV232 NL Mode D'emploi
(86 pages)
Systèmes de levage Ravaglioli RAV518T Mode D'emploi
Pont élévateur electro-hydraulique (90 pages)
Systèmes de levage Ravaglioli RAV640.2 SWA DC Mode D'emploi
(100 pages)
Systèmes de levage Ravaglioli RAV241VS1402 Manuel D'instructions
(40 pages)
Systèmes de levage Ravaglioli RAV4400.4 Traduction Des Instructions Originales
(124 pages)
Systèmes de levage Ravaglioli KPE32 Traduction Des Instructions Originales
(183 pages)
Systèmes de levage Ravaglioli RAV540 Traduction Des Instructions Originales
(98 pages)
Systèmes de levage Ravaglioli RAV1150U Traduction Des Instructions Originales
(84 pages)
Systèmes de levage Ravaglioli RAV261 Mode D'emploi
(38 pages)
Systèmes de levage Ravaglioli RAV1140 Traduction Des Instructions Originales
(82 pages)
Systèmes de levage Ravaglioli RAV1110K Traduction Des Instructions Originales
(90 pages)
Produits Connexes pour Ravaglioli RAV 733
Ravaglioli RAV 755
Ravaglioli RAV 755 I
Ravaglioli RAV 755 L
Ravaglioli RAV4400
Ravaglioli RAV4356
Ravaglioli RAV308H.6WS-VARSC
Ravaglioli RAV308H.6WS VAR290/F-VARSC
Ravaglioli RAV232 NL
Ravaglioli RAV518TI
Ravaglioli RAV518AAT
Ravaglioli RAV540
Ravaglioli RAV540 I
Ravaglioli RAV1150U
Ravaglioli RAV261
Ravaglioli RAV1110LR
Ravaglioli RAV1110KR
Ce manuel est également adapté pour:
Rav 733 i
Table des Matières
Imprimer
Renommer le signet
Supprimer le signet?
Supprimer de mes manuels?
Connexion
Se connecter
OU
Se connecter avec Facebook
Se connecter avec Google
Télécharger le manuel
Télécharger depuis le disque dur
Télécharger depuis l'URL