Se connecter
Télécharger
Télécharger
Ajouter à mes manuels
Supprimer de mes manuels
Partager
L'URL de cette page:
Lien HTML:
Marquer une page
Ajouter
Manuel sera automatiquement ajouté à "Mes manuels"
Imprimer la page
×
Signet ajouté
×
Ajouté à mes manuels
Manuels
Marques
Dimplex Manuels
Pompes à chaleur
SI 10MER
Instructions d'installation et d'utilisation
Stromlaufpläne / Circuit Diagrams / Schémas Électriques; Steuerung Standardregler / Control Via The Standard Controller / Commande Régulateur Standard . A-Vii - Dimplex Si 10Mer Instructions D'installation Et D'utilisation
Masquer les pouces
Voir aussi pour SI 10MER
:
Instructions d'installation et d'utilisation
(60 pages)
1
2
3
4
5
6
7
8
9
10
11
12
13
14
15
16
17
18
19
20
21
22
23
24
25
26
27
28
29
30
31
32
33
34
35
36
37
38
39
40
41
42
43
44
45
46
47
48
49
50
51
52
53
54
55
56
57
58
59
60
61
62
63
64
page
de
64
Allez
/
64
Matières
Table des Matières
Signets
Les langues disponibles
FR
EN
DE
Les langues disponibles
FRANÇAIS, page 31
ENGLISH, page 17
DEUTSCH, seite 3
SI 10MER
Anhang · Appendix · Annexes
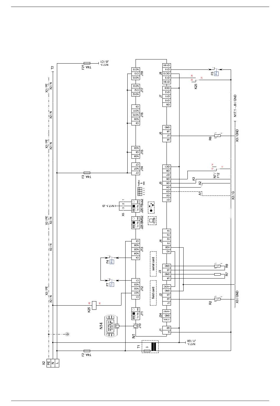
3 Stromlaufpläne / Circuit Diagrams / Schémas électriques
3.1 Steuerung Standardregler / Control via the standard controller /
Commande régulateur standard
www.gdts.one
452232.66.41 · FD 9912
A-VII
Table des
Matières
Page
Précédent
e
Page
Suivant
e
1
...
48
49
50
51
52
53
54
55
Chapitres
Deutsch
3
English
17
Français
31
Manuels Connexes pour Dimplex SI 10MER
Pompes à chaleur Dimplex SI 10MER Instructions D'installation Et D'utilisation
(60 pages)
Pompes à chaleur Dimplex SI 8 MR Instructions D'installation Et D'utilisation
(37 pages)
Pompes à chaleur Dimplex SI 50TE Instructions D'installation Et D'utilisation
Pompe à chaleur eau glycolée-eau pour installation intérieure (68 pages)
Pompes à chaleur Dimplex SI 5TE Instructions D'installation Et D'utilisation
(32 pages)
Pompes à chaleur Dimplex SI 17 CS Instructions D'installation Et D'utilisation
(48 pages)
Pompes à chaleur Dimplex SI 7KS Instructions De Montage Et D'utilisation
(24 pages)
Pompes à chaleur Dimplex SI 130TUR+ Instructions D'installation Et D'utilisation
(68 pages)
Pompes à chaleur Dimplex SI 6TU Instructions D'installation Et D'utilisation
Pompe à chaleur eau glycolée-eau pour installation intérieure (60 pages)
Pompes à chaleur Dimplex SI 6TU Instructions D'installation Et D'utilisation
(76 pages)
Pompes à chaleur Dimplex SI 130TU Instructions D'installation Et D'utilisation
(56 pages)
Pompes à chaleur Dimplex SI 7MER Instructions D'installation Et D'utilisation
(48 pages)
Pompes à chaleur Dimplex SI 5MER Instructions D'installation Et D'utilisation
(64 pages)
Pompes à chaleur Dimplex SI 11KMS Instructions D'installation Et D'utilisation
Pompe à chaleur eau glycolée-eau pour installation intérieure (36 pages)
Pompes à chaleur Dimplex SI 5MSR Instructions D'installation Et D'utilisation
(48 pages)
Pompes à chaleur Dimplex SI 5USR Instructions D'installation Et D'utilisation
(48 pages)
Pompes à chaleur Dimplex SI 5BS Instructions D'installation Et D'utilisation
Pompe à chaleur eau glycolée-eau pour installation intérieure (40 pages)
Contenu connexe pour Dimplex SI 10MER
LI 16ASR Stromlaufpläne / Circuit Diagrams / Schémas Électriques
Dimplex LI 16ASR
LI 9AS Stromlaufpläne / Circuit Diagrams / Schémas Électriques
Dimplex LI 9AS
LI 8MS Stromlaufpläne / Circuit Diagrams / Schémas Électriques
Dimplex LI 8MS
UPE 70-25 Stromlaufpläne / Circuit Diagrams / Schémas Électriques
Dimplex UPE 70-25
LIH 22TE Stromlaufpläne / Circuit Diagrams / Schémas Électriques
Dimplex LIH 22TE
WI 120TU Stromlaufpläne / Circuit Diagrams / Schémas Électriques
Dimplex WI 120TU
LA 24AS Stromlaufpläne / Circuit Diagrams / Schémas Électriques
Dimplex LA 24AS
SIH 6ME Stromlaufpläne / Circuit Diagrams / Schémas Électriques
Dimplex SIH 6ME
SI 130TUR+ Stromlaufpläne / Circuit Diagrams / Schémas Électriques
Dimplex SI 130TUR+
SI 5US Stromlaufpläne / Circuit Diagrams / Schémas Électriques
Dimplex SI 5US
SIH 9TE Stromlaufpläne / Circuit Diagrams / Schémas Électriques
Dimplex SIH 9TE
SI 7MER Stromlaufpläne / Circuit Diagrams / Schémas Électriques
Dimplex SI 7MER
SI 17 CS Stromlaufpläne / Circuit Diagrams / Schémas Électriques
Dimplex SI 17 CS
LA 11PS Stromlaufpläne / Circuit Diagrams / Schémas Électriques
Dimplex LA 11PS
WI 14TU Stromlaufpläne / Circuit Diagrams / Schémas Électriques
Dimplex WI 14TU
LAK 9IMR Stromlaufpläne / Circuit Diagrams / Schémas Électriques
Dimplex LAK 9IMR
Imprimer
Renommer le signet
Supprimer le signet?
Supprimer de mes manuels?
Connexion
Se connecter
OU
Se connecter avec Facebook
Se connecter avec Google
Télécharger le manuel
Télécharger depuis le disque dur
Télécharger depuis l'URL