Atlas Copco RRF 21-01 Instructions page 71

Table des Matières
Les langues disponibles
  • FR

Les langues disponibles

  • FRANÇAIS, page 15
RRF 21
Tobias Hahn, Direttore generale
Firma del dichiarante
Installazione
Installazione
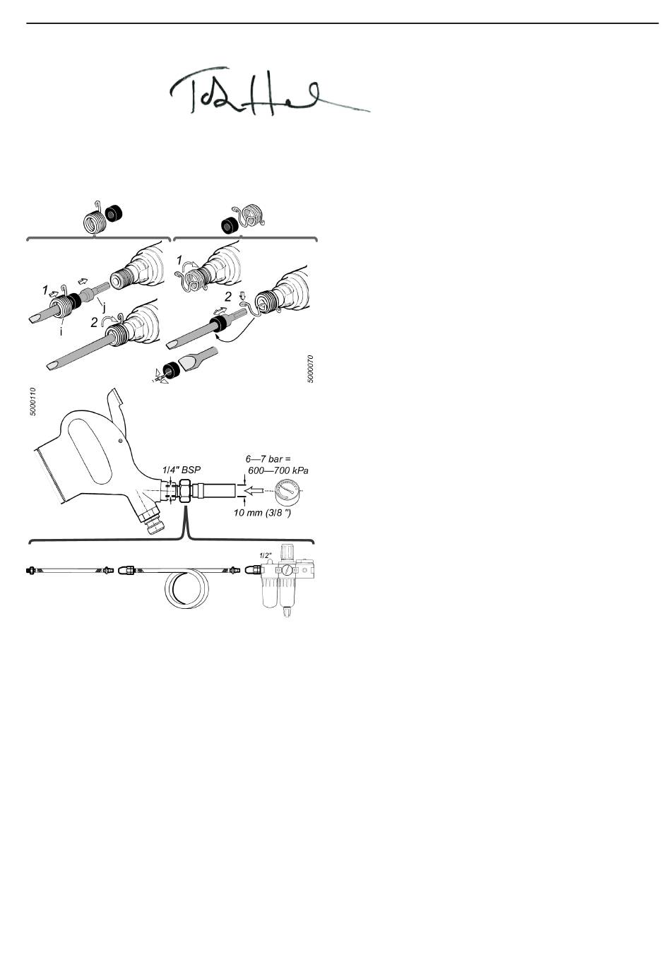
• Installare lo scalpello (j) con il suo fermo (i), ved. figura.
• Prima dell'uso – Versare alcune gocce di olio per attrezzi pneumatici nel
raccordo d'ingresso dell'aria.
• Collegare la macchina alla tubazione dell'aria secondo la figura. Se s'impie-
ga un accoppiamento rapido, esso deve essere separato dalla macchina per
mezzo di un corto tubo flessibile (lunghezza 0,5 m.).
• L'aria compressa deve essere mantenuta esente da acqua e sporcizia nella
massima misura possibile.
Si consiglia l'installazione di un filtro regolatore/lubrificatore Atlas Copco
per aria condizionata per garantire un'alta qualità dell'aria somministrata al-
la macchina. Per la lubrificazione, impiegare soltanto olio di elevata qualità
per attrezzi pneumatici.
IT
© Atlas Copco Industrial Technique AB - 9836 977900 00
Istruzioni per l'uso
71
Table des Matières
loading

Ce manuel est également adapté pour:

8425 1104 05

Table des Matières