AVS Electronics Raptor R Manuel D'installation page 5

Table des Matières
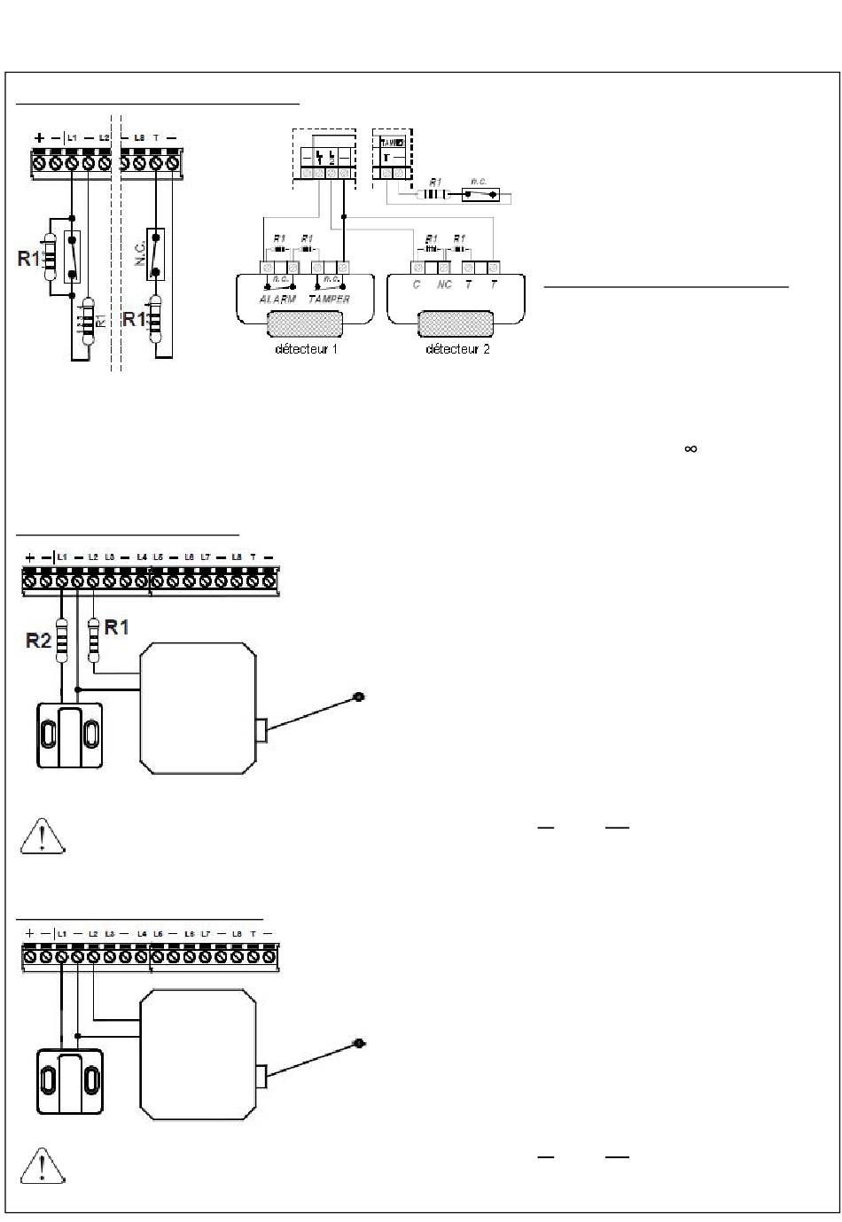
Zones double-balancées avec 2 x 4.700 ohms
Ce type de configuration permet d'obtenir, avec 2 fils, l'alarme et le sabotage de la zone.
Au repos la zone mesure 4.700 ohms, en alarme 9.400 ohms, en court- circuit 0 ohms et si un fil est coupé l'
A noter, que la boucle générale de sabotage (T) doit être connectée selon sa programmation même si elle n'est pas utilisée.
Zones inertielles vibrations et volets
Si le câble d'une zone programmée en inertiel volet est coupé, la centrale ne signale pas la zone ouverte.
Si le câble d'une zone inertielle vibration est coupé, la centrale signale la zone ouverte.
Zones inertielles vibrations et volets NC
Si le câble d'une zone programmée en inertiel volet est coupé, la centrale ne signale pas la zone ouverte.
Si le câble d'une zone inertielle vibration est coupé, la centrale signale la zone ouverte.
Ces configurations permettent le raccordement de détecteurs inertiels ou
volets avec une résistance en série...
Pour les entrées de l'XSAT36 et de l'XSATPW, utilisez une résistance
R1 de 4.700 ohms.
Pour les entrées de la Raptor, du C8 ou du PWCPT utilisez une
résistance R2 de 2.200 ohms (cette résistance n'est pas livrée, vous
pouvez aussi utiliser deux résistances de 4.700 ohms en parallèle).
Pour régler la sensibilité de la zone, il faut programmer le nombre de
pulses dans le menu zone (1=haute sensibilité, 120=basse sensibilité)
La protection anti-sabotage doit être faite via la zone s abotage T ou via
une autre zone programmée en sabotage.
R1 : 4.700 ohms > couleurs : jaune violet rouge or
R2 : 2.200 ohms > couleurs : rouge rouge rouge or
Ces configurations permettent le raccordement direct de détecteurs
inertiels ou volets.
Pour régler la sensibilité de la zone, il faut programmer le nombre de
pulses dans le menu zone (1=haute sensibilité, 120=basse sensibilité)
La protection anti-sabotage doit être faite via la zone sabotage T ou via
une autre zone programmée en sabotage.
NOTE : Ce type de câblage n'est pas possible sur les zones des claviers
A500 et A500+, ni sur celles des XSAT36, XSATPW et XSATHP . Il n'est
disponible que pour les zones de la centrale, du C8 et du PWCPT
R1= 4.700 ohms
Couleur de la résistance de 4.700 ohms :
Jaune, violet, rouge, or
.
Table des Matières
loading

Ce manuel est également adapté pour:

Raptor rkRaptor rt

Table des Matières