Régulateur Frigorifique À Une Seule Carte A1 - Lauda Vf 15040 Manuel D'utilisation

Masquer les pouces Voir aussi pour VF 15040:
Table des Matières
12.5.11 
Régulateur frigorifique à une seule carte A1
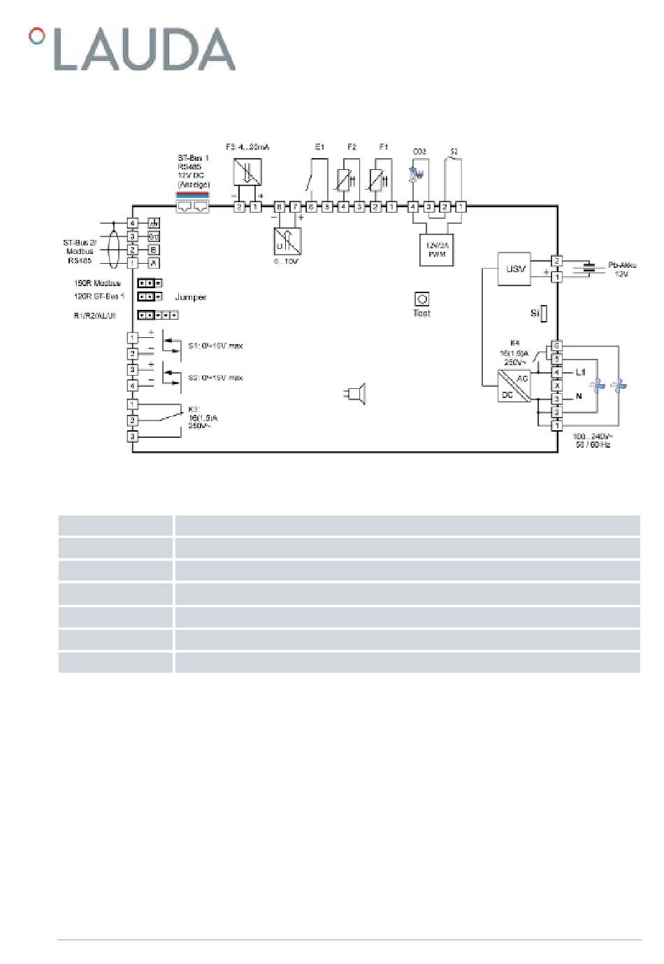
Fig. 151 : Régulateur frigorifique à une seule carte
F1
Sonde de température PT100 espace utile
F2
Sonde de température PT100 condenseur
E1
Contacteur de porte/contacteur de couvercle
S2
Contacteur CO
S1
Solid State Relais 1. Niveau 0/+15 V max.
S2
Solid State Relais 2. Niveau 0/+15 V max.
K3
Contact sans potentiel
V3
/LN
2
2
Congélateurs Versafreeze
99 / 109
Table des Matières
loading

Ce manuel est également adapté pour:

Vf 60040Vf 70040Vf 15085Vf 60085Vf 70085

Table des Matières