Se connecter
Télécharger
Télécharger
Table des Matières
Matières
Ajouter à mes manuels
Supprimer de mes manuels
Partager
L'URL de cette page:
Lien HTML:
Marquer une page
Ajouter
Manuel sera automatiquement ajouté à "Mes manuels"
Imprimer la page
×
Signet ajouté
×
Ajouté à mes manuels
Manuels
Marques
Lauda Manuels
Congélateurs
VF 15040
Manuel d'utilisation
Schéma De Câblage : Vf 60085 Et Vf 70085, 230 V/50 Hz - Lauda Vf 15040 Manuel D'utilisation
Masquer les pouces
Voir aussi pour VF 15040
:
Mode d'emploi
(44 pages)
1
2
Table Des Matières
3
4
5
6
7
8
9
10
11
12
13
14
15
16
17
18
19
20
21
22
23
24
25
26
27
28
29
30
31
32
33
34
35
36
37
38
39
40
41
42
43
44
45
46
47
48
49
50
51
52
53
54
55
56
57
58
59
60
61
62
63
64
65
66
67
68
69
70
71
72
73
74
75
76
77
78
79
80
81
82
83
84
85
86
87
88
89
90
91
92
93
94
95
96
97
98
99
100
101
102
103
104
105
106
107
108
109
110
page
de
110
Allez
/
110
Matières
Table des Matières
Signets
Table des Matières
12.5.9
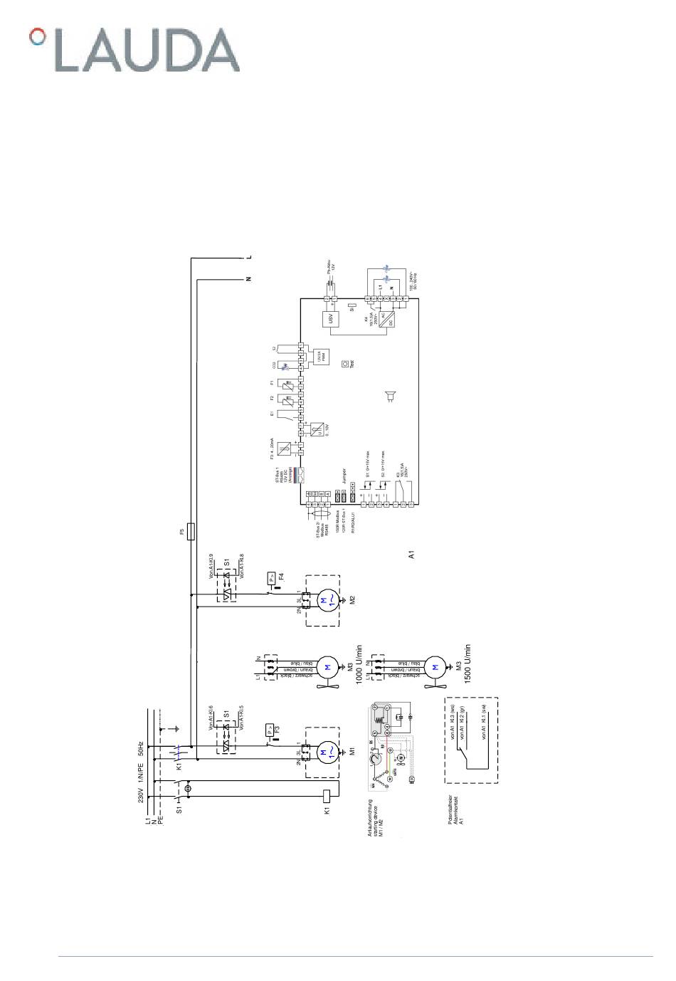
Schéma de câblage : VF 60085 et VF 70085, 230 V/50 Hz
1
2
3
4
5
6
Fig. 149 : Schaltplan_Tiefkühlschrank_VF60085_VF70085_230V_50Hz
V3
Congélateurs Versafreeze
97 / 109
Table des
Matières
Page
Précédent
e
Page
Suivant
e
1
...
94
95
96
97
98
99
100
101
Table des Matières
Manuels Connexes pour Lauda VF 15040
Congélateurs Lauda VF 15040 Mode D'emploi
Congélateurs armoires versafreeze (44 pages)
Congélateurs Lauda Versafreeze VF 20040 C Instructions D'utilisation
(44 pages)
Congélateurs Lauda VF 20040 C Manuel D'utilisation
(105 pages)
Congélateurs Lauda Mobifreeze M 270 Manuel D'utilisation
(100 pages)
Contenu connexe pour Lauda VF 15040
VF 20040 C Schéma De Câblage : Vf 55040 C Et Vf 75040 C, 230 V/50 Hz
Lauda VF 20040 C
VF 15040 Congélateur Armoire Vf 60040, Vf 60085 / Vf 70040, Vf 70085
Lauda VF 15040
Versafreeze VF 20040 C Schéma De Câblage
Lauda Versafreeze VF 20040 C
VF 15040 Schéma De Câblage
Lauda VF 15040
Mobifreeze M 270 Caractéristiques De La Batterie Pincipale Et De La Batterie Auxiliaire
Lauda Mobifreeze M 270
VF 15040 (Uniquement Valable Pour Les Modèles Vf 15040 Et Vf 15085)
Lauda VF 15040
Ce manuel est également adapté pour:
Vf 60040
Vf 70040
Vf 15085
Vf 60085
Vf 70085
Table des Matières
Imprimer
Renommer le signet
Supprimer le signet?
Supprimer de mes manuels?
Connexion
Se connecter
OU
Se connecter avec Facebook
Se connecter avec Google
Télécharger le manuel
Télécharger depuis le disque dur
Télécharger depuis l'URL