Se connecter
Télécharger
Télécharger
Table des Matières
Matières
Ajouter à mes manuels
Supprimer de mes manuels
Partager
L'URL de cette page:
Lien HTML:
Marquer une page
Ajouter
Manuel sera automatiquement ajouté à "Mes manuels"
Imprimer la page
×
Signet ajouté
×
Ajouté à mes manuels
Manuels
Marques
Nilfisk Manuels
Machines à plancher
FLOORTEC R 680 P
Manuel d'utilisation
Nilfisk FLOORTEC R 680 P Manuel D'utilisation page 78
Masquer les pouces
1
2
3
4
5
6
7
8
9
10
11
12
13
14
15
16
17
18
19
20
21
22
23
24
25
26
27
28
29
30
31
32
33
34
35
36
37
38
39
40
41
42
43
44
45
46
47
48
49
50
51
52
53
54
55
56
57
58
59
60
61
62
63
64
65
66
67
68
69
70
71
72
73
74
75
76
77
78
79
80
81
82
83
84
85
86
87
88
89
90
91
92
93
94
95
96
97
98
99
100
101
102
103
104
105
106
107
108
109
110
111
112
113
114
115
116
117
118
119
120
121
122
123
124
125
126
127
128
129
130
131
132
page
de
132
Allez
/
132
Matières
Table des Matières
Dépannage
Signets
Table des Matières
Les langues disponibles
FR
EN
DE
NL
Plus
Les langues disponibles
FRANÇAIS, page 35
ENGLISH, page 67
DEUTSCH, seite 3
DUTCH, pagina 99
ENGLISH
USER MANUAL
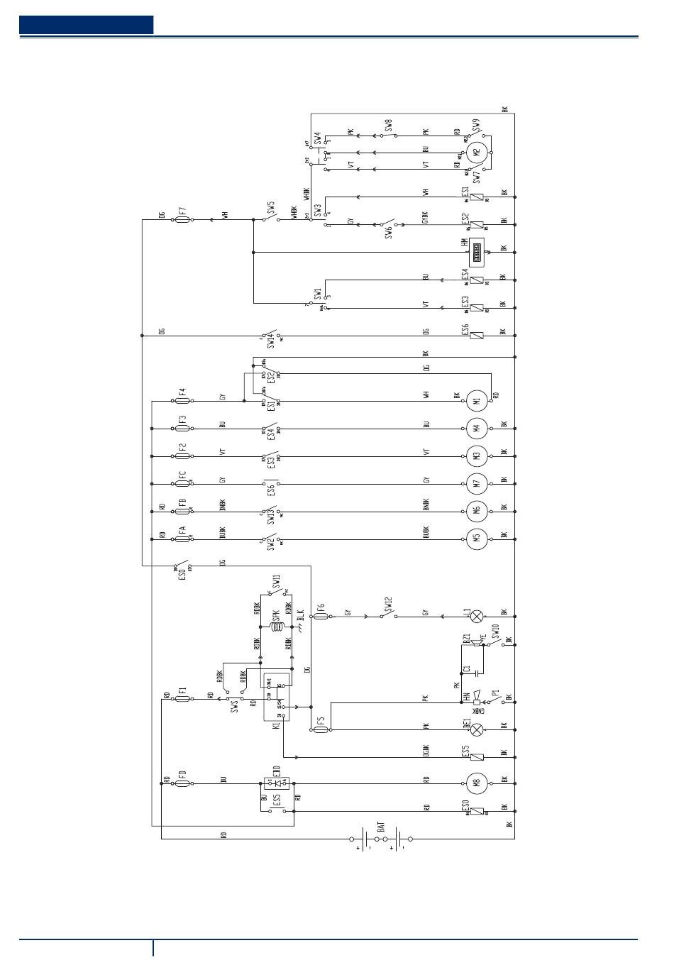
WIRING DIAGRAM (Continues)
P100209
12
FLOORTEC R 680 P
1463514000(1)2008-05 A
Table des
Matières
Page
Précédent
e
Page
Suivant
e
1
...
75
76
77
78
79
80
81
82
Chapitres
Deutsch
3
Français
35
English
67
Dutch
99
Table des Matières
Dépannage
DEPISTAGE DES PANNES
65
TROUBLESHOOTING
97
Manuels Connexes pour Nilfisk FLOORTEC R 680 P
Machines à plancher Nilfisk FLOORTEC R 670 B Instructions D'utilisation
(100 pages)
Machines à plancher Nilfisk RS 1300 Mode D'emploi
(224 pages)
Machines à plancher Nilfisk Advance RS 501 Manuel D'utilisation
(148 pages)
Machines à plancher Nilfisk SW4000 Instructions D'utilisation
(148 pages)
Machines à plancher Nilfisk SW4000 Instructions D'utilisation
(132 pages)
Machines à plancher Nilfisk RS 850 Instructions D'utilisation
(208 pages)
Machines à plancher Nilfisk RS 850 Manuel D'utilisation
(208 pages)
Machines à plancher Nilfisk Advance RS 500 Instructions D'utilisation
(138 pages)
Machines à plancher Nilfisk SCRUBTEC R 466 Instructions D'utilisation
(124 pages)
Machines à plancher Nilfisk FLOORTEC R 680 B Manuel D'utilisation
Balayeuse (124 pages)
Machines à plancher Nilfisk ALTO SCRUBTEC R 571 Manuel De L'utilisateur
(124 pages)
Machines à plancher Nilfisk ALTO SCRUBTEC R 253 Instructions D'utilisation
(108 pages)
Machines à plancher Nilfisk Alto FLOORTEC 550 B Manuel D'utilisation
(64 pages)
Machines à plancher Nilfisk ALTO FLOORTEC 550 P Manuel D'utilisation
(60 pages)
Machines à plancher Nilfisk SC351 Manuel D'utilisation
(84 pages)
Machines à plancher Nilfisk SC401 Instructions D'utilisation
(84 pages)
Produits Connexes pour Nilfisk FLOORTEC R 680 P
Nilfisk FLOORTEC R 670 B
Nilfisk FLOORTEC R 870
Nilfisk RS 850
Nilfisk Advance RS 500
Nilfisk SCRUBTEC R 466
Nilfisk SCRUBTEC R 471
Nilfisk SCRUBTEC R 471C
Nilfisk SCRUBTEC BOOST R4
Nilfisk FLOORTEC R 680 B
Nilfisk ALTO SCRUBTEC R 571
Nilfisk ALTO SCRUBTEC R 571 C
Nilfisk ALTO SCRUBTEC R 586
Nilfisk ALTO SCRUBTEC R 253
Nilfisk Advance RS 501
Nilfisk FLOORTEC R 985
Nilfisk R104
Table des Matières
Imprimer
Renommer le signet
Supprimer le signet?
Supprimer de mes manuels?
Connexion
Se connecter
OU
Se connecter avec Facebook
Se connecter avec Google
Télécharger le manuel
Télécharger depuis le disque dur
Télécharger depuis l'URL