Se connecter
Télécharger
Télécharger
Table des Matières
Matières
Ajouter à mes manuels
Supprimer de mes manuels
Partager
L'URL de cette page:
Lien HTML:
Marquer une page
Ajouter
Manuel sera automatiquement ajouté à "Mes manuels"
Imprimer la page
×
Signet ajouté
×
Ajouté à mes manuels
Manuels
Marques
Procom Manuels
Chauffages à air
PCFA125V
Manuel du propriétaire
Pièces - Procom Pcfa125V Manuel Du Propriétaire
Masquer les pouces
Voir aussi pour PCFA125V
:
Manuel d'utilisation
(52 pages)
1
2
3
4
5
6
7
8
9
10
11
12
13
14
15
16
17
18
19
20
21
22
23
24
25
26
27
28
29
30
31
32
33
34
35
36
37
38
39
40
41
42
43
44
45
46
47
48
49
50
51
52
page
de
52
Allez
/
52
Matières
Table des Matières
Dépannage
Signets
Table des Matières
Les langues disponibles
FR
EN
ES
Les langues disponibles
FRANÇAIS, page 35
ENGLISH, page 1
ESPAÑOL, página 17
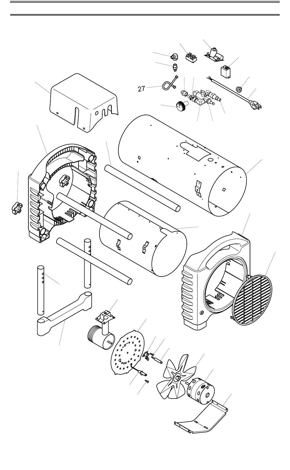
PIÈCES
MODÈLES PCFA125V(-C) ET PCFA175V(-C)
31
30
29
32
28
20
25
24
9
19
26
21
4
23
22
3
1
5
4
2
6
7
9
10
13
14
15
16
8
17
11
18
12
www.usaprocom.com
50
160495-02A
Table des
Matières
Page
Précédent
e
Page
Suivant
e
1
...
47
48
49
50
51
52
Chapitres
English
2
Español
18
Français
36
Table des Matières
Dépannage
Troubleshooting
12
Dépannage
48
Manuels Connexes pour Procom PCFA125V
Chauffages à air Procom PCFA125V Manuel D'utilisation
(52 pages)
Chauffages à air Procom PCFA40-C Manuel Du Propriétaire
(60 pages)
Chauffages à air Procom PCFA40 Manuel D'utilisation
(60 pages)
Chauffages à air Procom PPK80T Manuel D'utilisation
(68 pages)
Contenu connexe pour Procom PCFA125V
PCFA40-C Pièces De Rechange
Procom PCFA40-C
PPK80T Remplacement De Pièces
Procom PPK80T
PCFA40 Pièces De Rechange
Procom PCFA40
PCFA125V Pièces De Rechange
Procom PCFA125V
Ce manuel est également adapté pour:
Pcfa125v-c
Pcfa175v
Pcfa175v-c
Table des Matières
Imprimer
Renommer le signet
Supprimer le signet?
Supprimer de mes manuels?
Connexion
Se connecter
OU
Se connecter avec Facebook
Se connecter avec Google
Télécharger le manuel
Télécharger depuis le disque dur
Télécharger depuis l'URL