S&P MBE-R Mode D'emploi page 9

Masquer les pouces Voir aussi pour MBE-R:
Table des Matières
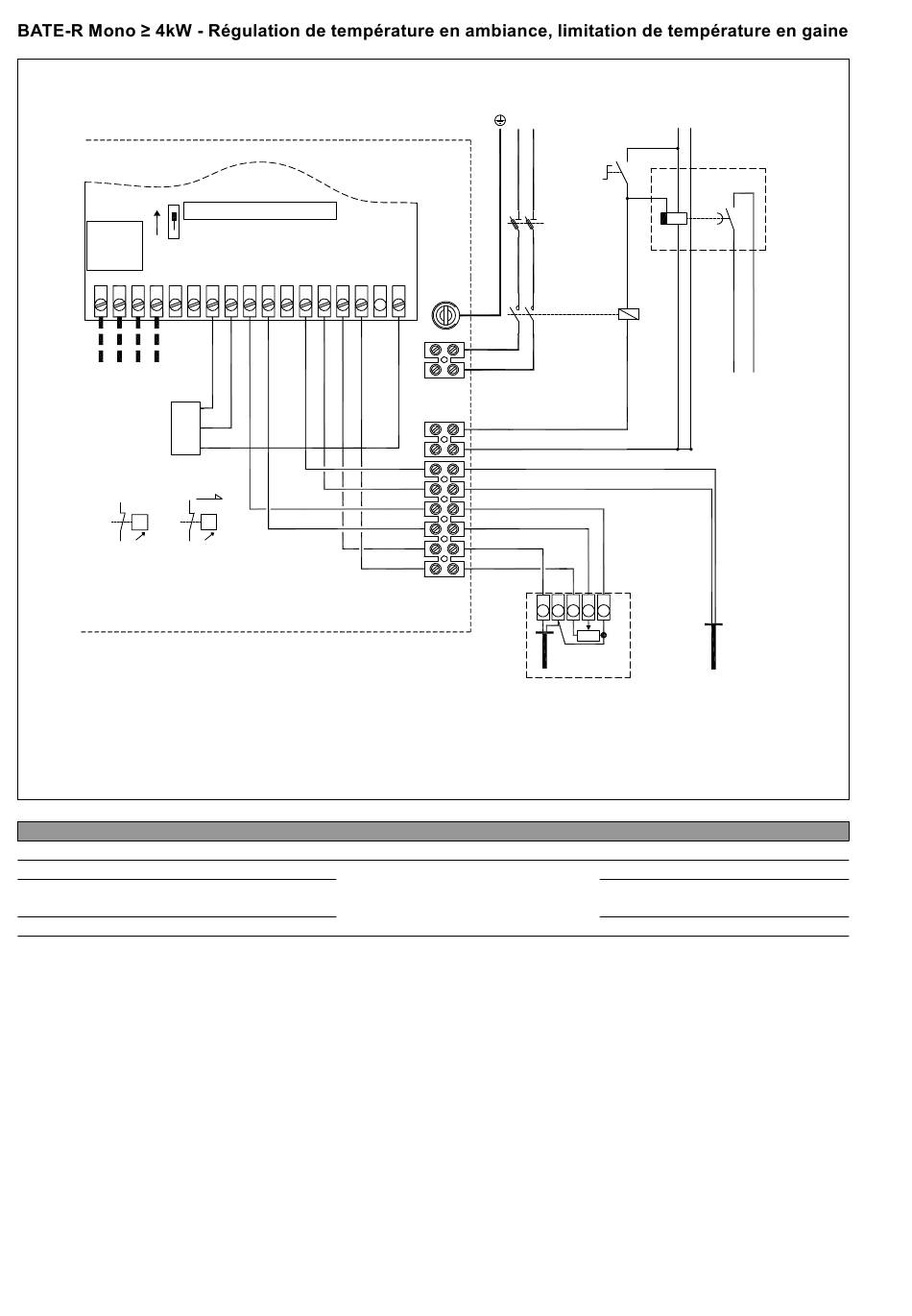
2 sondes ( régulation d'ambiance )
ON
1 sonde ( régulation de soufflage )
limitations :
1
mini +15°C
maxi +40°C
L
N
7
12
9
26
17
14
contrôleur
PTC
de débit
50°C
100°C
B
θ
réa. auto.
réa. manuel
Thermostats de sécurité
(limiteur de température)
câblés d'usine
Inclus
MBE
Batterie électrique
Sonde d'ambiance et
TR5K + NTC 10
potentiomètre en ambiance
TK-K10K
Sonde de gaine
SetP
0... 10
Trég Gnd
Tamb
+
Gnd
Gnd
Gnd
4
3
6
5
10
8
16 15 18
Y/G
Br
Bl
C
θ
230Vac
50Hz
N
L
MBE-R
≥4kW
+
PE
20
KM10
N
L1
5
6
+
7
Trég
8
Gnd
9
Gnd
10
SetP
11
Tamb
12
+
O
1 G
ut
TR5K + NTC10
Sonde d'ambiance
Potentiomètre en ambiance
réglage + mesure
+0 à +30°C
Matériel
Optionnel
Temporisation post-
MCR1
ventilation
9/16
230Vac
50Hz
Marche/Arrêt
L
N
temporisation
batterie
post-ventilation
temporisation
post-ventilation
A1
Y1
T1
Q1
A2
Marche/Arrêt
ventilateur
In
Out
G
nd
nd
Sonde de
gaine
Limitations :
mini +15°C
maxi +40°C
Non compris
KM10
Q1
Marche/Arrêt
509061_MBE-R_160401
MCR1
15
18
TJ-K10K
Contacteur
Dispositif de
protection
M/A batterie
Table des Matières
loading

Table des Matières