Se connecter
Télécharger
Télécharger
Table des Matières
Matières
Ajouter à mes manuels
Supprimer de mes manuels
Partager
L'URL de cette page:
Lien HTML:
Marquer une page
Ajouter
Manuel sera automatiquement ajouté à "Mes manuels"
Imprimer la page
×
Signet ajouté
×
Ajouté à mes manuels
Manuels
Marques
Maxon Manuels
Unités de contrôle
ESCON Module 24/2
Documentation technique
Moteurs Ec; Illustration 4-21 Maxon Ec Motor Avec Capteurs À Effet Hall - Maxon Escon Module 24/2 Documentation Technique
Masquer les pouces
1
2
3
4
5
6
7
8
9
10
11
12
13
14
15
16
17
18
19
20
21
22
23
24
25
26
27
28
29
30
31
32
33
34
35
36
37
38
39
40
41
42
43
44
45
46
47
48
49
50
51
52
53
54
55
56
page
de
56
Allez
/
56
Matières
Table des Matières
Signets
Table des Matières
4.2
Moteurs EC
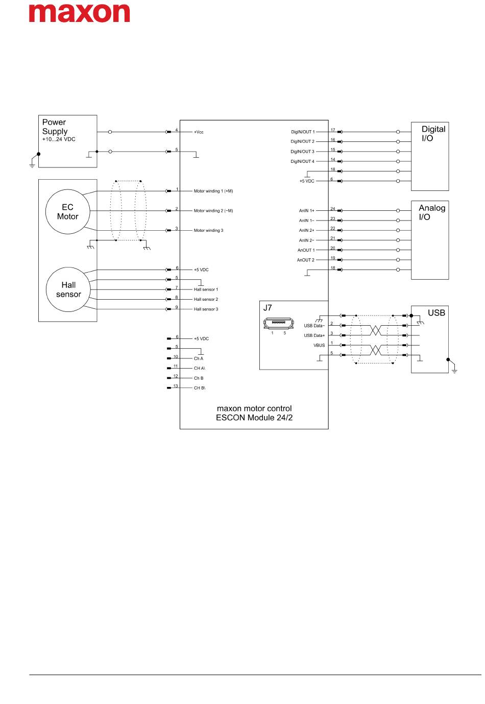
MAXON EC MOTOR AVEC CAPTEURS À EFFET HALL
Illustration 4-21 maxon EC motor avec capteurs à effet Hall
ESCON Module 24/2 Documentation Hardware
CCMC | 2021-08 | rel9006
Câblage
Moteurs EC
4-31
Table des
Matières
Page
Précédent
e
Page
Suivant
e
1
...
28
29
30
31
32
33
34
35
Chapitres
Table Des MatiÈres
2
Liste Des Figures
53
Table des Matières
Manuels Connexes pour Maxon ESCON Module 24/2
Unités de contrôle Maxon ESCON 70/10 Mode D'emploi
(42 pages)
Contenu connexe pour Maxon ESCON Module 24/2
ESCON 70/10 Moteurs Ec
Maxon ESCON 70/10
ESCON 50/4 EC-S Illustration 4-16 Maxon Ec Motor
Maxon ESCON 50/4 EC-S
Ce manuel est également adapté pour:
466023
Table des Matières
Imprimer
Renommer le signet
Supprimer le signet?
Supprimer de mes manuels?
Connexion
Se connecter
OU
Se connecter avec Facebook
Se connecter avec Google
Télécharger le manuel
Télécharger depuis le disque dur
Télécharger depuis l'URL