Utilisation Sonnerie Supplémentaire Art. 1229A - Comelit Simplebus2 Mode D'emploi

Masquer les pouces Voir aussi pour Simplebus2:
Table des Matières
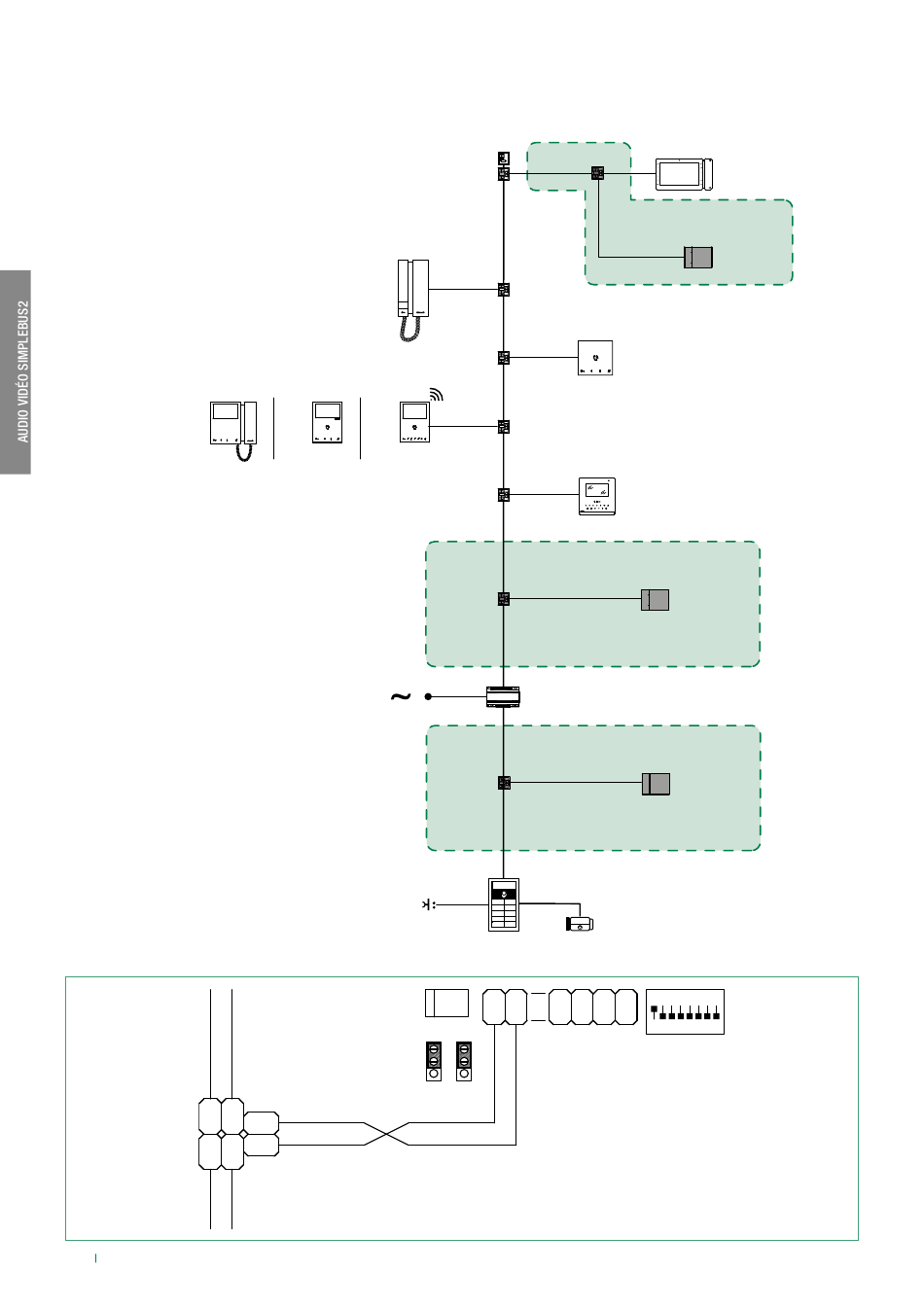
Utilisation sonnerie supplémentaire Art. 1229A
6701W
6701W/8
L
L
OUT
OUT
L
L
IN
IN
26
2738W
2738W/A
6721W
6741W
1229A
S
R
LM
LM
1214/2C
1216
1214/2C
1214/2C
1214/2C
1214/2C
1214/2C
1214/2C
1214/2C
1210A
1214/2C
UT2020
C
C
L
L
S+ S-
F
F
1
2
P
P
CV2 CV3
6801W
1229A
6750W
6601W
1229A
1229A
ON
1 2 3 4
5
6 7
8
S1
Table des Matières
loading

Table des Matières