Electrical Wiring; Electronic Start Delaying Device; Control-Box; Photoresistance - Riello Rg2Kd Manuel D'entretien

Brûleurs fioul domestiques
Table des Matières
Les langues disponibles
  • FR

Les langues disponibles

3.6

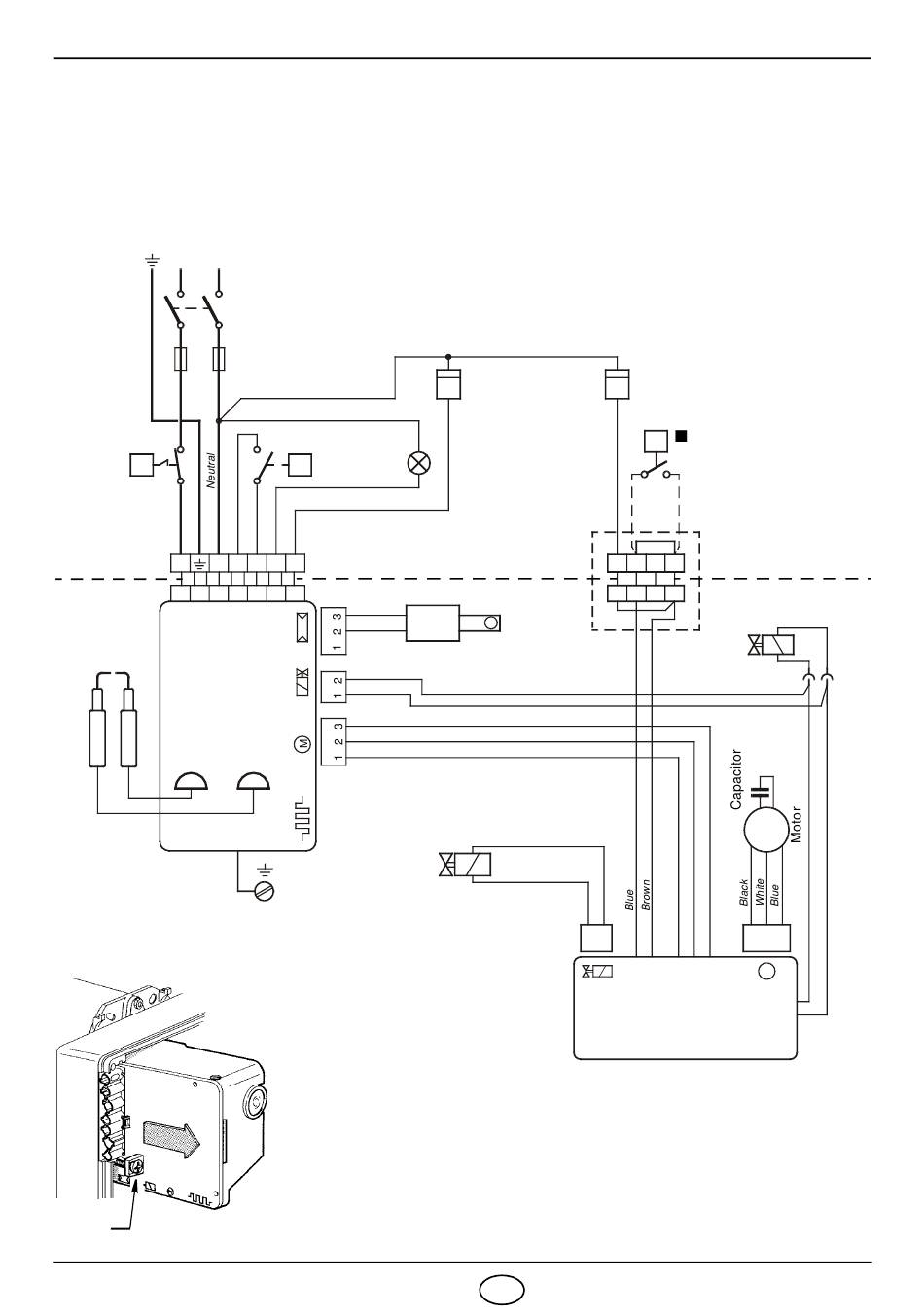
ELECTRICAL WIRING

ATTENTION:
Do not swap neutral and phase over, follow the diagram shown carefully and carry out a good earth con-
nection.
The section of the conductors must be at least 1 mm
The electrical wiring carried out by the installer must be in compliance with the rules in force in the country.
~
230V
50Hz
L
N
T
Safety
thermostat

7 pin plug

L1
N
7 pole socket
Ignition
electrodes
CONTROL BOX
552SE
A
(See page 4). Connect the automatic shut-off device (230V - 0.5A max.)
*
to the clamps N - B4 of the 7 pin plug.
Connect 2nd stage thermostat between clamps T6 - T8 by re-
moving the bridge.
Main switch
TESTING: Check the shut-down of the burner by opening the thermo-
T6A
Limit thermostat
T
T1
T2
S3
B4
Brown
Blue
Brown
Blue
Black
White
Blue
nd
2
stage oil valve
Burner-earth
Fig. 11
CONTROL BOX, (see fig. 11)
To remove the control box from the burner, you must
disconnect all connectors connected to it, the 7-pin plug, high-voltage
cables and earth wire
unscrew the screw (A, fig. 11) and pull the control box in the direction
indicated by the arrow
To install the control box, you must
tighten the screw (A) with a driving torque of 1 to 1.2 Nm
S7217
connect all connectors you disconnected earlier
2
. (Unless requested otherwise by local standards and legislation).
stats and the lock-out by darkening the photoresistance.
st
1
stage
h
hour counter
(230V - 0.1A max.)
Remote lock-out lamp
(230V - 0.5A max.)

Photoresistance

2 1
;
.
:
6
GB
nd
2
stage hour counter
h
(230V - 0.1A max.)
nd
2
stage
T
thermostat
4 pin plug
B5
T6
T7
T8
4 pole socket
st
1
stage oil valve
M
~
3 2 1
M
ELECTRONIC
DELAYING DEVICE
:
;
.
D5336
3023
Table des Matières
loading

Ce manuel est également adapté pour:

3738100Gulliver rg2kd381t1

Table des Matières