Télécharger Imprimer la page

WindowMaster WLA 110 Manuel D'utilisation page 4

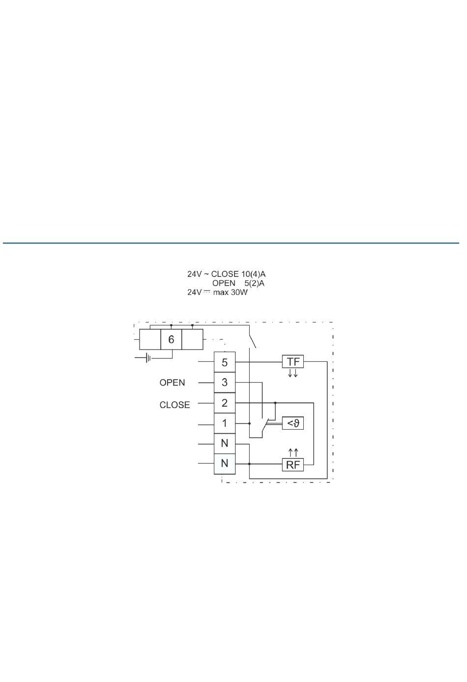
WLA 110 tilsluttes WindowMaster® styreenhed vha. 3-leder kabler
Før installation samt ved nedtagning skal netspænding til WLA 110 være afbrudt og der skal sikres, at der ikke uforvarende kan genindkobles
WLA 110 opfylder EMC-direktivets krav ved anvendelse af originale WindowMaster® interfaces og styreenheder.
WLA 110 har radiointerferens undertrykkelses iht. VED 0875 og EN 55014.
WLA 110 må kun anvendes sammen med originale WindowMaster® produkter.
Emballagen kan bortskaffes sammen med almindelig husholdningsaffald.
WLA 110 må ikke placeres i nærheden af varmekilder f.eks. direkte sollys, radiatorer, belysning mm. eller hvor den er tildækket f.eks. bag
gardiner.
WLA 110 skal placeres ca. 150cm over gulvhøjde.
WLA 110 skilles ad ved at afmontere knappen og fjerne skruen.
WLA 110 fastskrues til væggen og forbindes som afbilledet på diagrammet i låget eller nedenfor. Låget skrues på og knappen påsættes igen.
Skiftepunktet er lavere når knappen drejes manuelt end under normal drift når termostaten skifter automatisk. Det korrekte skiftepunkt opnås først
efter 1-2 timers drift.
Teknisk data
Kontaktspænding 24 VDC max 1,25A, 24VAC max 2A
Måleområde
Hysterese
Driftbetingelser
Størrelse
Vægt
Kaplingsklasse
+5°C - +30°C
0,5K
+5°C - +50°C, termostaten må ikke tildækkes
75 x 75 x 75 mm (BxHxD)
0,1kg
IP30
loading